English
Español
Português
русский
Français
日本語
Deutsch
tiếng Việt
Italiano
Nederlands
ภาษาไทย
Polski
한국어
Svenska
magyar
Malay
বাংলা ভাষার
Dansk
Suomi
हिन्दी
Pilipino
Türkçe
Gaeilge
العربية
Indonesia
Norsk
تمل
český
ελληνικά
український
Javanese
فارسی
தமிழ்
తెలుగు
नेपाली
Burmese
български
ລາວ
Latine
Қазақша
Euskal
Azərbaycan
Slovenský jazyk
Македонски
Lietuvos
Eesti Keel
Română
Slovenski
मराठी
Srpski језик
Fitur produk
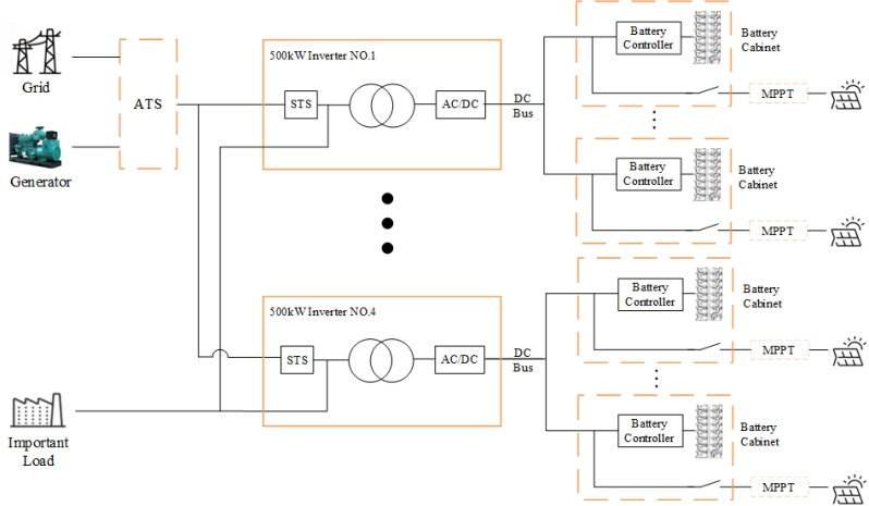
1.Beban melebihi 500 kW, disarankan untuk menggunakan inverter penyimpanan energi satu unit berkapasitas besar 500 kW, yang mampu mendukung hingga empat set koneksi paralel, mencapai output daya total 2 MW;
2.Saat mengoperasikan beberapa sistem 500 kW secara paralel dan mendistribusikan STSa ke inverter 500 kW yang berbeda, penting untuk memastikan bahwa panjang kabel dari titik ikat jaringan ke titik ikat beban konsisten;
3. ESS hibrida menggunakan integrasi fotovoltaik berpasangan DC, mencapai efisiensi konversi energi yang tinggi dan dioptimalkan untuk skenario off-grid dengan kapasitas pembangkitan PV melebihi permintaan beban; MPPT dengan rating luar ruangan
pengontrol mengintegrasikan fungsi penggabung dan MPPT ke dalam satu wadah yang diperkeras. Sistem lengkapnya mencakup opsi generator diesel ATS, inverter hybrid 300kW, pengontrol PV MPPT, dan baterai.
sistem penyimpanan energi.


Spesifikasi
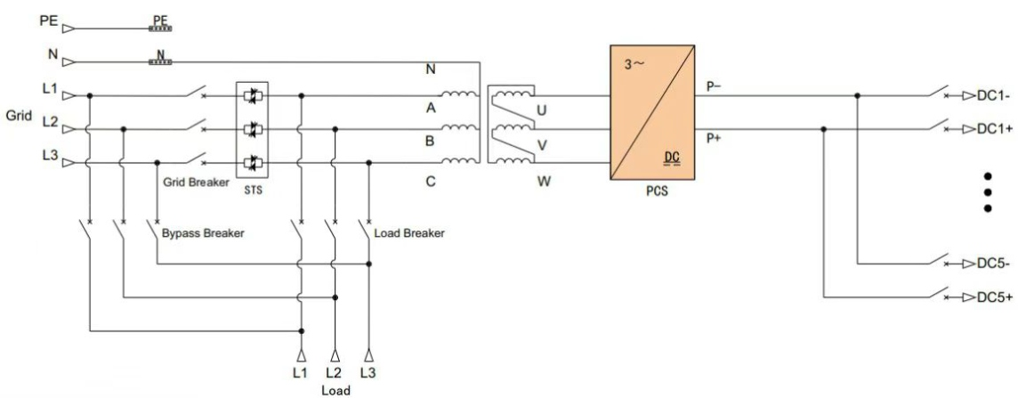
| Model | P500TS-400-A | |
|
Parameter Sisi DC |
Rentang tegangan | 500-950V |
| Arus maksimum | 1128A | |
| Nilai daya keluaran | 500kW | |
|
Parameter Sisi AC (terhubung ke jaringan) |
Daya keluaran maksimum | 550kW |
| Nilai arus keluaran | 722A | |
| THDi | <3% | |
| Tipe kisi | 3W+N+PE | |
| Rentang tegangan | 360VAC~440VAC | |
| Rentang frekuensi | 45~55Hz/55~65Hz | |
| Faktor kekuatan | -1~1 | |
| Nilai daya keluaran | 500kW | |
|
Parameter sisi AC (Di Luar Jaringan) |
Tegangan keluaran terukur | 400V |
| Frekuensi keluaran terukur | 50/60Hz | |
| THDu | <1%Beban Linier,<5%Beban Non-Linear | |
| Kapasitas kelebihan beban | 110%10 Menit | |
| Sakelar bypass pemeliharaan | 1250A | |
|
Sakelar Off-Grid dan beralih konfigurasi |
saklar DC | 1250A |
| Sakelar beban | 1250A | |
| Sakelar jaringan | 1250A | |
| satuan STS | 1155A/800kW | |
| Peralihan waktu | <20 md | |
|
Parameter sistem |
Efisiensi puncak | 97,5% |
| Suhu pengoperasian | -30~55℃(Penurunan di atas 40℃) | |
| Kelembaban relatif | 0 hingga 95% RH, Tanpa kondensasi | |
| Dimensi (L*D*T) | 1600×1050×2050mm | |
| Berat | 2700kg | |
| kelas IP | IP21 IP21 (Mesin lengkap) | |
| Kebisingan | <70dB | |
| Tampilan layar | LCD | |
| komunikasi BMS | BISA | |
| komunikasi EMS | TCP/IP | |