Sistem Hibrid Sedang

Sistem Hibrid Sedang

Sistem penyimpanan energi on-grid dan off-grid mengintegrasikan pembangkit listrik fotovoltaik (PV), penyimpanan energi, dan kontrol cerdas. Ini dapat beroperasi dalam mode terhubung ke jaringan dan berdiri sendiri, memastikan pasokan daya yang berkelanjutan dan stabil.

mengirimkan permintaan

Deskripsi Produk


Fitur

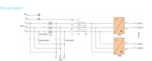
Sistem ini menggunakan unit inverter modular dalam konfigurasi paralel, dimana

setiap input DC modul inverter sesuai dengan lemari baterai khusus,

memungkinkan manajemen per cluster untuk menghilangkan arus yang bersirkulasi di antaranya

rangkaian baterai.

Modul daya AC/DC mendukung penerapan yang fleksibel baik dalam kuantitas maupun

rating daya, dengan kapasitas maksimum modul 60kW dalam 5 unit paralel

konfigurasi.

Output AC dari modul daya disalurkan melalui transformator

tahap keluaran terisolasi, menyuplai daya ke beban dengan ketahanan yang kuat terhadap

guncangan saat ini.

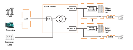
ESS hibrida menggunakan integrasi fotovoltaik berpasangan DC, sehingga menghasilkan kinerja tinggi

efisiensi konversi energi dan dioptimalkan untuk skenario off-grid dengan PV

kapasitas pembangkitan melebihi kebutuhan beban; Pengontrol MPPT dengan rating luar ruangan

mengintegrasikan fungsi penggabung dan MPPT ke dalam satu wadah yang diperkeras.

Sistem lengkapnya mencakup opsi generator diesel ATS, hibrida 300kW

inverter, pengontrol PV MPPT, dan sistem penyimpanan energi baterai.



Fitur

Sistem ini menggunakan unit inverter modular dalam konfigurasi paralel, dimana

setiap input DC modul inverter sesuai dengan lemari baterai khusus,

memungkinkan manajemen per cluster untuk menghilangkan arus yang bersirkulasi di antaranya

rangkaian baterai.

Modul daya AC/DC mendukung penerapan yang fleksibel baik dalam kuantitas maupun

rating daya, dengan kapasitas maksimum modul 60kW dalam 5 unit paralel

konfigurasi.

Output AC dari modul daya disalurkan melalui transformator

tahap keluaran terisolasi, menyuplai daya ke beban dengan ketahanan yang kuat terhadap

guncangan saat ini.

ESS hibrida menggunakan integrasi fotovoltaik berpasangan DC, sehingga menghasilkan kinerja tinggi

efisiensi konversi energi dan dioptimalkan untuk skenario off-grid dengan PV

kapasitas pembangkitan melebihi kebutuhan beban; Pengontrol MPPT dengan rating luar ruangan

mengintegrasikan fungsi penggabung dan MPPT ke dalam satu wadah yang diperkeras.

Sistem lengkapnya mencakup opsi generator diesel ATS, hibrida 300kW

inverter, pengontrol PV MPPT, dan sistem penyimpanan energi baterai.









Spesifikasi

Model P200TS-400-A P250TS-400-A P300TS-400-A

Parameter Sisi DC
Rentang tegangan 650-950Vdc
Sakelar masukan per modul 250A
Jumlah saluran DC 3 cara 4 cara 5 cara

Parameter Sisi AC
(terhubung ke jaringan)
Nilai daya keluaran 200kW 250kW 300kW
Daya keluaran maksimum 220kW 275kW 330kW
Nilai arus keluaran 289A 361A 433A
THDi <3%
Tipe kisi 3W+N+PE
Rentang tegangan 360Vac~440Vac
Rentang frekuensi 45~55Hz/55~65Hz
Faktor kekuatan -1~1

Pulau
Parameter sisi AC
Nilai daya keluaran 200kW 250 kWh
Tegangan keluaran terukur 400Vac
Frekuensi keluaran terukur 50/60Hz
THDu <1% linier, <5% nonlinier<1% linier, <5% nonlinier
Kapasitas kelebihan beban 110% kelebihan beban selama 10 menit110% selama 10 menit

Pulau Grid
Transfer dan switchgear
Sakelar bypass pemeliharaan 400A 630A
Sakelar jaringan 630A 800A
Sakelar beban 400A 630A
satuan STS 577A/400kW 722A/500kW
Peralihan waktu <20 md

Parameter sistem
Efisiensi puncak 97,5%
Suhu pengoperasian -30~55℃-30~55℃(Penurunan di atas 40℃)
Kelembaban relatif 0~95%RH,0~95%RH, Tanpa kondensasi
Dimensi (L*D*T) 1300×1050×2050mm
Berat 1400kg 1700kg               1800kg
kelas IP IP21 IP21 (Set lengkap)
Kebisingan <70dB
Tampilan layar Layar sentuh LCD
komunikasi BMS BISA
komunikasi EMS TCP/IP


Tag Panas: Sistem Hibrid Sedang
mengirimkan permintaan
Jangan ragu untuk memberikan pertanyaan Anda dalam formulir di bawah ini. Kami akan membalas Anda dalam 24 jam.
X
Kami menggunakan cookie untuk menawarkan Anda pengalaman penelusuran yang lebih baik, menganalisis lalu lintas situs, dan mempersonalisasi konten. Dengan menggunakan situs ini, Anda menyetujui penggunaan cookie kami. Kebijakan Privasi