English
Español
Português
русский
Français
日本語
Deutsch
tiếng Việt
Italiano
Nederlands
ภาษาไทย
Polski
한국어
Svenska
magyar
Malay
বাংলা ভাষার
Dansk
Suomi
हिन्दी
Pilipino
Türkçe
Gaeilge
العربية
Indonesia
Norsk
تمل
český
ελληνικά
український
Javanese
فارسی
தமிழ்
తెలుగు
नेपाली
Burmese
български
ລາວ
Latine
Қазақша
Euskal
Azərbaycan
Slovenský jazyk
Македонски
Lietuvos
Eesti Keel
Română
Slovenski
मराठी
Srpski језик
Fitur produkyaitu
1, generasi DC dan penyimpanan DC, lebih efisien dan kehilangan lebih rendah, yang cocok untuk PV dan daya penyimpanan lebih besar
daripada skenario beban listrik di luar jaringan;
2, perlindungan IP65, memenuhi penggunaan di luar ruangan. MPPT terdekat meningkatkan keluaran konvergensi, yang membantu mencegah pemasangan kabel
kebingungan yang disebabkan oleh beberapa kabel fotovoltaik (PV) yang ditransmisikan melalui jarak jauh ke sistem all-in-one.
3, rentang tegangan lebar 200-900V dari masukan fotovoltaik, mendukung akses modul fotovoltaik arus tinggi di industri.
4、MPPT multi-saluran, memenuhi panel PV multi-sudut
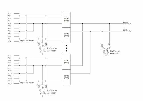
Diagram pengkabelan

Spesifikasi
| Model | MPPT-8 | MPPT-6 | MPPT-12 | |
| Antarmuka Sisi PV Parameter |
Tegangan susunan PV maksimum | 900V | ||
| Rentang tegangan MPPT | 200V-900V | |||
| Rentang tegangan MPPT terukur | 560V-900V | |||
| Arus cabang maksimum | 24A | 20A | ||
| Nomor string masukan PV | 8 | 6 | 12 | |
| Jumlah MPPT | 8 | 2 | 4 | |
| Saat ini per MPPT | 20A | 55A | ||
| Parameter Keluaran | Rentang tegangan | 600-950V | ||
| Tegangan terukur | Default 716.8V, dapat disesuaikan | |||
| Nilai arus keluaran | 118A | 84A | 168A | |
| Nilai daya keluaran | 84kW | 60kW | 120kW | |
| Arus keluaran maksimum | 192A | 120A | 240A | |
| Parameter Sistem | efisiensi EUe | 99,4% | ||
| kelas IP | IP65 | |||
| Konsep pendinginan | Konveksi alami | Pendinginan udara paksa | ||
| Dimensi (L*D*T) | 550x530x280mm | 630×460×260mm | 630×460×260mm | |
| Berat | 42kg | 25kg | 30kg | |
| Suhu pengoperasian | -30~55℃ | |||
| Mode catu daya | Bertenaga mandiri (tanpa konsumsi daya di malam hari) | |||
| Antarmuka Komunikasi | RS485 | |||
